Установка газовой колонки — ключевой этап для обеспечения горячего водоснабжения в квартирах и частных домах. Самовольный монтаж может привести к серьезным последствиям, включая штрафы и угрозу безопасности. В этой статье рассмотрим этапы установки газовой колонки, инструкции по монтажу в различных условиях и штрафы за незаконное подключение. Также познакомим с популярными моделями колонок от производителей Астра, Нева 4511 и Bosch, что поможет вам сделать осознанный выбор.
Установка газовой колонки
Важно понимать, что перемещение устройства, как и его первоначальная установка, представляет собой сложный и затратный процесс, в отличие от замены старой газовой колонки на новую без изменения ее местоположения.
Для установки газовой колонки вам потребуется подготовить следующие документы:
- Акт, подтверждающий исправность дымоходной системы и вентиляции. Его можно получить в пожарной инспекции.
- Разрешительные документы от Горгаза на выполнение монтажных работ в соответствии с проектом.
- Проект для установки оборудования.
- Технический паспорт на устройство.
- Заявление на проведение работ по ремонту или замене водяных и газовых магистралей.
- Заявление в городскую администрацию на перепланировку и переустройство коммуникаций.
- После завершения установки необходимо предоставить в БТИ проект установки.
После того как все документы будут собраны и оформлены, сотрудник Горгаза выполнит подключение к газовой трубе, установит счетчик и опломбирует его.
Монтаж газовой колонки — это процесс, требующий соблюдения определенных этапов и норм. Эксперты подчеркивают, что перед началом установки необходимо получить разрешение от соответствующих органов. Это связано с тем, что неправильная установка может привести к серьезным последствиям, включая утечки газа и угрозу жизни. В случае установки без разрешения, владельцам грозит штраф, размер которого может варьироваться в зависимости от региона и обстоятельств. В некоторых случаях он может достигать нескольких десятков тысяч рублей. Специалисты настоятельно рекомендуют не пренебрегать легальными процедурами, так как это не только обеспечивает безопасность, но и защищает от финансовых потерь в будущем. Правильный подход к монтажу газовой колонки — залог комфортного и безопасного использования.

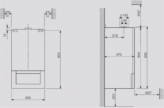
Требования к месту установки газовой колонки
Место установки газового агрегата (подробности о монтаже газовой колонки в частном доме можно найти в этой статье) должно строго соответствовать требованиям нормативных актов, чтобы гарантировать безопасность функционирования устройства. Также важно учитывать удобство его эксплуатации, правильное размещение в помещении и легкость подключения к коммуникациям.
В документации указаны следующие требования:
- Жилое пространство, в котором будет установлен агрегат, должно иметь объем не менее 7,4 м³ и высоту потолка не менее двух метров.
- Давление подачи воды должно составлять не менее 0,1 атм.
- Помещение должно быть оборудовано окном и закрывающейся дверью для обеспечения необходимой вентиляции.
- Устройство должно быть установлено на негорючей поверхности, например, стена может быть оштукатурена или облицована плиткой или другим негорючим материалом.
- Установка агрегата в ванной комнате запрещена, допускается лишь замена старого оборудования на новое с соответствующим обновлением документации.
- Обязательно наличие системы вентиляции.
- Дымоход должен иметь диаметр не менее 120 мм, длину от 35 см и уклон не менее 3 градусов вверх.
- Расстояние до газовой плиты должно составлять не менее 10 см.
- Расстояние от боковой панели агрегата до стены должно быть более 20 см, а от лицевой панели — более 65 см.
- Для подключения воды и газа необходимо использовать гибкие шланги с внутренним диаметром не менее 13 мм, длина которых не должна превышать 2,5 м.
- Перед началом эксплуатации колонки необходимо установить запорный кран.
| Этап монтажа газовой колонки | Необходимые действия | Размер штрафа при установке без разрешения |
|---|---|---|
| 1. Подготовительный этап | — Получение разрешения на установку газовой колонки в газовой службе. — Разработка проекта установки (при необходимости). — Подготовка места установки (вентиляция, подвод воды и газа). |
Для физических лиц: от 1 000 до 2 000 рублей. Для должностных лиц: от 5 000 до 20 000 рублей. Для юридических лиц: от 50 000 до 100 000 рублей. |
| 2. Монтаж газовой колонки | — Установка колонки на стену. — Подключение к водопроводу (холодная и горячая вода). — Подключение к газопроводу (только сертифицированным специалистом). — Подключение к дымоходу. |
Для физических лиц: от 1 000 до 2 000 рублей. Для должностных лиц: от 5 000 до 20 000 рублей. Для юридических лиц: от 50 000 до 100 000 рублей. Дополнительно: Возможность отключения от газоснабжения до устранения нарушений. |
| 3. Пусконаладочные работы и ввод в эксплуатацию | — Проверка герметичности всех соединений. — Проверка работы системы вентиляции и дымоудаления. — Запуск колонки и проверка ее работоспособности. — Оформление акта ввода в эксплуатацию. |
Для физических лиц: от 1 000 до 2 000 рублей. Для должностных лиц: от 5 000 до 20 000 рублей. Для юридических лиц: от 50 000 до 100 000 рублей. Дополнительно: В случае аварии или несчастного случая, ответственность может быть уголовной. |
Интересные факты
Вот несколько интересных фактов о монтаже газовой колонки и штрафах за установку без разрешения:
-
Необходимость разрешений: В большинстве стран установка газовых колонок требует получения разрешений от местных органов власти или газоснабжающих организаций. Это связано с тем, что неправильная установка может привести к утечкам газа, что создает серьезные риски для безопасности.
-
Размер штрафа: Штрафы за установку газовой колонки без разрешения могут варьироваться в зависимости от региона и законодательства. В некоторых странах или регионах штраф может достигать нескольких тысяч рублей или долларов, а в случае повторных нарушений сумма может увеличиваться.
-
Проверка безопасности: После установки газовой колонки, даже с разрешением, часто проводится проверка безопасности. Это включает в себя проверку на утечки газа, правильность подключения и соответствие установленным нормам. Если выявляются нарушения, это может привести не только к штрафам, но и к необходимости переделки установки.
Эти факты подчеркивают важность соблюдения правил и норм при установке газовых колонок для обеспечения безопасности и избежания финансовых последствий.

Можно ли осуществить монтаж колонки своими руками?
Безусловно, некоторые работы вы можете выполнить самостоятельно, такие как демонтаж старого устройства или установка нового. Однако подключение к газу должно осуществляться только квалифицированными специалистами. Неправильное выполнение инструкций и правил при подключении оборудования может привести к серьезным авариям и даже трагическим последствиям.
Если вы подключитесь к газовой магистрали без разрешения или будете использовать газ в муниципальной квартире или частном доме без официального согласования, вам грозит административный штраф в размере от 10 000 до 15 000 рублей.
Для выполнения работ вам понадобятся следующие инструменты:
- Дрель.
- Разводной ключ.
- Рожковые ключи размером 27-30 и 32-36.
- Фум-лента для герметизации соединений, герметик, пакля.
- Трубы для водоснабжения или шланги, точные размеры указаны в инструкции к прибору.
- Металлопластиковые трубы.
- Газовый шланг.
- Крепежные клипсы.
- Краны.
- Фитинги.
- Инструменты для резки и спайки труб.
- Фильтры (магнитный и солевой), так как качество поступающей воды влияет на срок службы устройства.
- Дюбели для крепления агрегата к стене.
- Кран Маевского.
- Гофрированная труба, диаметр которой должен соответствовать диаметру входного отверстия котла. Эти параметры можно найти в инструкции к устройству. Например, для Bosсh WR 10-2 Р диаметр составляет 110 мм, для Нева 4511 также 110 мм, а для Астра ВПГ 8910 — 120 мм.
- Розетка для дымохода.
Демонтаж старой колонки
Для замены оборудования необходимо выполнить следующие шаги:
- Закройте все краны.
- С помощью ключа открутите гайку, которая удерживает шланг. Чтобы избежать повреждения газовых труб, используйте второй ключ для фиксации.
- Отсоедините шланг от устройства. Если он в хорошем состоянии, его можно будет использовать при повторном подключении.
- Затем закройте кран подачи воды, который идет к прибору. Если у вас его не было, приобретите и установите новые краны для нового устройства.
- Отсоедините дымоход.
Таким образом, вы сможете самостоятельно произвести демонтаж, что позволит вам сэкономить средства. Стоимость данной услуги составляет около 600 рублей в Туле и 570 рублей в Уфе.

Этапы монтажа новой газовой колонки
Независимо от того, устанавливаете ли вы новое оборудование или заменяете устаревшее, дальнейшие действия следует выполнять только после того, как дымоход установлен, все системы разведены, а вытяжка проверена на работоспособность.
Этапы выполнения работ:
- Определите место установки и сделайте соответствующие отметки на стене.
- Просверлите необходимые отверстия с помощью дрели.
- Вставьте дюбели, учитывая нагрузку, которая будет действовать на них при заполнении бака водой.
- Повесьте устройство на подготовленное место.
- Подключите фильтры, включая солевой и магниевый.
- Установите краны Маевского.
- Отрежьте трубу и установите в нее фитинг или тройник.
- Смонтируйте краны.
- Запаяйте соединительные элементы.
- Подключите устройство к холодным и горячим трубам с помощью шлангов или ПВХ-трубки и пакли. Убедитесь в надежности соединений, используя фитинги. Помните, что холодный водопровод обозначается синим цветом, а горячий — красным.
- Проверьте герметичность соединений, открыв воду и подождав. Если течи нет, значит, все сделано правильно. В противном случае, замените уплотнитель и подтяните гайки. Будьте осторожны, чтобы не перетянуть гайки, так как это может повредить резьбу и нарушить герметичность соединений.
- Проверьте тягу дымохода, которая должна составлять от 1,95 до 29,40 Па, в зависимости от типа и размеров помещения.
- Подключите гофру: одну сторону к аппарату, другую — к дымоходу.
- Подведите газовую трубу к крану и закрепите ее клипсами на стене, предварительно просверлив отверстия.
- Подключите газовый шланг к устройству и трубе, обеспечив герметичность соединений.
- Приготовьте мыльный раствор и смажьте им все стыки, затем откройте газ. Если появятся пузырьки, это указывает на утечку. Исправить ее можно, аккуратно подтянув гайки, чтобы не повредить прокладки.
- Проведите повторную проверку герметичности.
- Отрегулируйте температуру воды, следуя инструкции к оборудованию.
Стоимость монтажа в России в среднем составляет около 2500 рублей. В Туле цена может достигать примерно 2400 рублей, в Уфе — 2600 рублей. Цена установки зависит от объема прибора и страны-производителя. Например, монтаж оборудования марки Бош будет дороже, чем установка отечественного устройства, такого как Нева 4511.
Настройка прибора
После завершения монтажа наступает финальный этап — подключение и настройка оборудования. Эти работы должны выполнять только квалифицированные специалисты, обладающие соответствующей лицензией. Мастер установит необходимую температуру нагрева, оптимизирует подачу газа и выберет режим работы в зависимости от времени года — летний или зимний. Он также выполнит первый запуск системы и опломбирует её.
Запрещается запускать оборудование или устанавливать батарейки в случае отсутствия воды в теплообменнике.
Установите батарейки в устройство с автоматическим розжигом и откройте газовый вентиль. Если установка выполнена корректно, то при открытии вентиля с горячей водой колонка должна запуститься автоматически. Настройте температурный режим подачи воды, рекомендуемый диапазон составляет до 50ºС. Если у вас ручной розжиг, сначала активируйте его с помощью кнопки, а затем откройте воду. Для этого необходимо сначала открыть краны холодной и горячей воды, а затем включить горячую в любом из смесителей в доме и дождаться, пока начнет течь подогретая вода.
Можно ли встроить колонку в мебель?
Многие интересуются, возможно ли скрыть газовую колонку в шкафу. Да, это возможно, но необходимо учитывать определенные условия.
Если речь идет об устройстве с закрытой камерой сгорания, то воздух для его работы поступает с улицы через вентиляционный канал, и его можно разместить в шкафу. Однако в случае с колонкой с открытой камерой сгорания воздух берется из помещения, и закрытие шкафа приведет к отсутствию притока воздуха в камеру сгорания.
Следует учитывать следующие требования:
- Размер шкафа должен превышать размеры агрегата на 10 см с каждой стороны, так как во время работы он нагревается.
- Нельзя закрывать верхнюю и нижнюю части шкафа, так как это будет препятствовать нормальному воздухообмену.
- Оптимальным решением станет установка дверцы с отверстиями, что позволит обеспечить свободный поток воздуха.
Установка дымохода в частном доме
Дымоходы должны быть изготовлены в строгом соответствии с нормами СНиП:
- Используемые материалы не должны поддаваться ржавчине и коррозии. При движении дыма по трубе происходит его охлаждение, что приводит к образованию конденсата на стенках. Поэтому конструкция должна быть утеплена снаружи.
- Дымоход должен быть надежно закреплен к стене, чтобы избежать провисания.
- Тяга должна быть равномерной по всей длине дымохода, что достигается за счет применения гладких и ровных поверхностей.
- Диаметр дымоходной трубы определяется размером патрубка на устройстве.
- Для обеспечения хорошей тяги дымоход должен устанавливаться вертикально, допускается отклонение не более 30°.
- Герметичность конструкции должна быть на высшем уровне, чтобы предотвратить попадание продуктов сгорания в жилые помещения.
- Количество изгибов в дымоходе не должно превышать трех.
Выбор материала для дымохода зависит от типа топлива и устройства. Для отвода продуктов сгорания необходима металлическая труба цилиндрической формы, наиболее долговечным и надежным вариантом будет труба из нержавеющей стали. Она может быть выполнена в виде сэндвич-системы, где трубы различного диаметра вставляются одна в другую, а пустоты между ними заполняются базальтовой ватой. Высокая герметичность необходима для предотвращения утечек горячих газов. При установке допускается не более четырех колен и поворотов, а длина одной вертикальной секции не должна превышать 25 см.
Также необходимо предусмотреть люк для чистки. Для удобства удаления сажи следует оставить пространство под входом дымохода.
Общие правила по обслуживанию.
Чтобы ваше новое устройство служило вам долго и не требовало частых затрат на ремонт, необходимо регулярно ухаживать за ним. Важно очищать прибор от накопившихся загрязнений, таких как нагар, пыль и накипь. Рекомендуется проводить такую чистку хотя бы раз в год, но если вы заметили значительное скопление грязи, лучше сделать это раньше.
Соблюдайте указанные температурные режимы при нагреве воды, это поможет увеличить срок службы теплообменника, так как снизит образование накипи. Если вода имеет плохое качество, стоит рассмотреть установку фильтров перед бойлером.
Ответственность за нарушение правил установки газовой колонки
Установка газовой колонки — это процесс, требующий соблюдения строгих правил и норм, регламентируемых законодательством. Неправильная установка может привести не только к техническим неисправностям, но и к серьезным последствиям для здоровья и безопасности жильцов. В связи с этим, установка газового оборудования без соответствующего разрешения может повлечь за собой административную ответственность.
Согласно действующему законодательству, установка газовой колонки без разрешительных документов считается нарушением. В зависимости от региона и конкретных обстоятельств, штрафы могут варьироваться. В большинстве случаев, размер штрафа для физических лиц составляет от 2 000 до 5 000 рублей, а для юридических лиц — от 20 000 до 50 000 рублей. Однако, в случае повторного нарушения или если установка привела к аварийной ситуации, штрафы могут значительно увеличиваться.
Кроме того, важно отметить, что установка газового оборудования без разрешения может привести к более серьезным последствиям, таким как отключение газа, необходимость демонтажа установленного оборудования и даже уголовная ответственность в случае причинения вреда здоровью или жизни людей. В некоторых случаях, если установка газовой колонки привела к аварии, виновные могут быть привлечены к уголовной ответственности, что влечет за собой более серьезные последствия, включая лишение свободы.
Для того чтобы избежать неприятностей, рекомендуется обращаться к профессиональным монтажникам, которые имеют все необходимые лицензии и разрешения. Это не только гарантирует безопасность, но и избавляет от возможных штрафов и других негативных последствий. Также стоит помнить, что в случае установки газовой колонки с соблюдением всех норм и правил, вы получите не только качественное оборудование, но и уверенность в его безопасной эксплуатации.
Таким образом, ответственность за установку газовой колонки без разрешения может быть весьма серьезной. Чтобы избежать штрафов и других негативных последствий, необходимо соблюдать все правила и нормы, а также обращаться к квалифицированным специалистам для выполнения монтажных работ.
Вопрос-ответ
Сколько штраф за самовольную установку газовой колонки?
Штрафы за самовольное подключение. Самовольное подключение к газопроводам либо самовольное (безучетное) использование газа влечет наложение административного штрафа на граждан в размере от 10 000 до 15 000 рублей, на должностных лиц – от 30 000 до 80 000 рублей, а на юридических лиц – от 100 000 до 200 000 рублей.
Что будет, если самому поменять газовую колонку?
Самовольная замена водонагревателя не останется незамеченной и, скорее всего, будет отключение прибора. После получения замечания необходимо будет подключать колонку повторно, приглашая сертифицированных специалистов.
Нормативы по установке газовой колонки?
Минимальные отступы от водонагревателя до ближайших стен и мебели: по бокам — 15 см, снизу — 30 см, сверху — 45 см, впереди — не менее 1 м. Запрещен монтаж колонки над варочной поверхностью и мойкой. Минимальное расстояние по горизонтали от выступающих частей прибора до газовой плиты — 10 см, до мойки — 40 см.
Советы
СОВЕТ №1
Перед началом монтажа газовой колонки обязательно ознакомьтесь с местными нормативами и правилами, касающимися установки газового оборудования. Это поможет избежать штрафов и обеспечит безопасность эксплуатации устройства.
СОВЕТ №2
Рекомендуется обращаться к профессиональным монтажникам, имеющим соответствующие лицензии и опыт работы с газовыми колонками. Это не только гарантирует правильную установку, но и минимизирует риск возникновения аварийных ситуаций.
СОВЕТ №3
Если вы планируете установить газовую колонку самостоятельно, обязательно получите все необходимые разрешения и согласования от местных органов власти и газовой службы. Это поможет избежать значительных штрафов и проблем с эксплуатацией оборудования в будущем.
СОВЕТ №4
Не забывайте о регулярном техническом обслуживании газовой колонки. Это не только продлит срок службы устройства, но и обеспечит его безопасную работу, что особенно важно для газового оборудования.






