Стиральные машины типа «Малютка» набирают популярность среди пользователей, ищущих компактные и эффективные решения для стирки в ограниченном пространстве. В статье рассмотрим лучшие модели, их технические характеристики, принципы работы, а также основные узлы и агрегаты. Вы узнаете о преимуществах и недостатках этих устройств, а также ознакомитесь с отзывами покупателей и рекомендациями производителей. Эта информация поможет вам сделать осознанный выбор при покупке стиральной машины для вашего дома.
История
30 декабря 1966 года Центральный Комитет КПСС совместно с Советом Министров СССР принял постановление «О максимальном использовании имеющихся резервов и местных возможностей для увеличения производства товаров народного потребления». В результате, в 1967 году на Уралмашзаводе в Свердловске началось производство спортивных гантелей, сувениров, хлебниц и туристической мебели под маркой «Отдых».
Для освоения новых товаров народного потребления в 1969 году в конструкторском отделе общего машиностроения НИИ Тяжмаша была создана специализированная конструкторская группа, в которую вошли Ф. Г. Гареева, Г. Я. Яковлева и Л. Д. Слепцова. Руководство группой было доверено С. Б. Наварской. Основной задачей конструкторов стало создание малогабаритной стиральной машины весом не более 10 кг, которая могла бы разместиться в компактных советских квартирах, таких как хрущёвки. Главный конструктор Уралмашзавода И. С. Миценгендлер привёз из Москвы миниатюрную стиральную машинку «Фея», производившуюся во Франции, и предложил использовать её как образец. Для уменьшения размеров машины конструкторы добились от производителей электродвигателей внесения изменений в их конструкцию, а также решили убрать передачи между электродвигателем и активатором. Были разработаны пластиковый корпус и бак для машинки. В итоге размеры «Малютки» составили 45×55×37 см.
Для обеспечения нового производства в посёлке Красном был запущен отдельный участок по производству пластмасс, который начал выпускать пластик марки АБС 2020, состоящий из акрилонитрила, бутадиена и стирола. Испытания показали, что этот пластик способен выдерживать необходимые нагрузки. С запуском участка пластмасс в 1973 году началось серийное производство «Малюток», и до конца того же года было выпущено 24 тысячи стиральных машин. За разработку «Малютки» С. Б. Наварская была награждена легковым автомобилем.
Несмотря на необычный внешний вид, благодаря успешной рекламной кампании и надёжной конструкции, «Малютки» быстро завоевали популярность среди потребителей. Розничная цена машинки составила 38 рублей.
В 1978 году стиральная машина «Малютка» была удостоена Государственного знака качества. 26 сентября 1981 года с конвейера сошла полумиллионная стиральная машина. Руководство Уралмашзавода также использовало популярные машинки для бартерных сделок.
Объёмы производства «Малюток» с 1973 по 1990 год достигали 50 тысяч штук в месяц. Однако в начале 1990-х годов, с появлением на рынке зарубежной бытовой техники, популярность «Малюток» резко снизилась. К 1996 году выпуск «Малюток» сократился до 1500 штук в месяц, и вскоре производство было прекращено.
Эксперты отмечают, что маленькие стиральные машины типа «Малютка» становятся все более популярными среди пользователей, особенно в условиях ограниченного пространства. Их компактные размеры и легкость в использовании делают их идеальным решением для квартир-студий и небольших домов. Принцип работы таких машин аналогичен стандартным моделям: они используют механическое вращение барабана и подачу воды для стирки белья. Однако, благодаря своей компактности, они часто имеют меньшую загрузку, что делает их более экономичными в плане потребления воды и электроэнергии.
Среди ключевых характеристик эксперты выделяют наличие различных программ стирки, возможность регулировки температуры и отжима, а также простоту в обслуживании. Некоторые модели оснащены дополнительными функциями, такими как защита от протечек и таймер отложенного старта. В целом, маленькие стиральные машины типа «Малютка» представляют собой удобное и эффективное решение для тех, кто ценит комфорт и экономию пространства.

Механизм «Малютки»
Машины данного типа имеют простую конструкцию. Основные компоненты компактного стирального устройства состоят из пяти ключевых элементов:
- Загрузочный бак, выполненный из пластика, предназначен для размещения вещей. Обычно его вместимость составляет до 4 кг, однако существуют современные модели, которые могут вмещать до 6 кг одежды.
- Блок активатора. Это плоская вращающаяся деталь с лопастями, расположенная на дне устройства, реже — на боковой стенке. Активатор необходим для перемешивания белья во время стирки и дополнительной фиксации бака.
- Электродвигатель, который обеспечивает работу устройства. Это один из самых важных компонентов стиральной машины, отвечающий за функционирование блока активатора.
- Блок конденсатора. Он отвечает за стабильность питания внутри устройства и обеспечивает безопасность при колебаниях напряжения в электросети.
- Панель управления. Как и любая другая стиральная машина, компактная модель оснащена отдельной панелью для удобства использования. На ней расположена ручка для настройки времени стирки, которую необходимо регулировать в зависимости от степени загрязнения одежды.
Компактная стиральная машина комплектуется съемной крышкой, сливным шлангом и подставкой (стандартный комплект).
Работа «Малютки» осуществляется довольно просто. Сначала нужно загрузить бак грязным бельем, добавить стиральный порошок и залить воду (рекомендуется использовать горячую или теплую). Затем устройство подключается к электросети, и устанавливается необходимое время стирки. Двигатель начнет работать, активируя блок активатора, и белье начнет перемешиваться в баке. После завершения стирки необходимо слить грязную воду через сливной шланг. «Малютку» также можно использовать для полоскания. Полоскание выполняется аналогично стирке, но с меньшим временем и без добавления порошка.
| Название модели | Принцип работы | Характеристики |
|---|---|---|
| Малютка-2 | Активаторный тип, механическое управление | Загрузка до 2 кг, мощность 150 Вт, 1 режим стирки, отжим отсутствует, габариты 35х35х45 см |
| Фея-2 | Активаторный тип, механическое управление | Загрузка до 2 кг, мощность 180 Вт, 2 режима стирки (деликатная, обычная), отжим отсутствует, габариты 38х38х50 см |
| Волна-М | Активаторный тип, механическое управление | Загрузка до 1.5 кг, мощность 120 Вт, 1 режим стирки, отжим отсутствует, габариты 30х30х40 см |
| Renova WS-20ET | Активаторный тип, механическое управление | Загрузка до 2 кг, мощность 160 Вт, 2 режима стирки, функция слива, габариты 36х36х52 см |
| Славда WS-30ET | Активаторный тип, механическое управление | Загрузка до 3 кг, мощность 200 Вт, 2 режима стирки, функция слива, габариты 40х40х60 см |
| Centek CT-1950 | Активаторный тип, механическое управление | Загрузка до 2.5 кг, мощность 170 Вт, 2 режима стирки, отжим отсутствует, габариты 37х37х55 см |
| Daewoo DWF-200MP | Активаторный тип, механическое управление | Загрузка до 2 кг, мощность 190 Вт, 2 режима стирки, отжим отсутствует, габариты 39х39х58 см |
Интересные факты
Вот несколько интересных фактов о маленьких стиральных машинах типа «Малютка»:
-
Компактные размеры, большие возможности: Несмотря на свои небольшие размеры, стиральные машины типа «Малютка» могут иметь различные режимы стирки и функции, такие как отжим, предварительная стирка и даже сушка. Это делает их идеальными для использования в небольших квартирах или для дач, где пространство ограничено.
-
Энергоэффективность: Многие модели «Малюток» разработаны с учетом современных стандартов энергоэффективности. Они потребляют меньше воды и электроэнергии по сравнению с традиционными стиральными машинами, что позволяет не только экономить на коммунальных платежах, но и заботиться об экологии.
-
Принцип работы: Маленькие стиральные машины часто используют вертикальную загрузку, что позволяет экономить пространство и облегчает загрузку и выгрузку белья. Некоторые модели также оснащены инверторными моторами, которые обеспечивают более тихую и эффективную работу, а также увеличивают срок службы устройства.

Габариты аппарата
На рынке бытовой техники нередко встречаются ситуации, когда производители прибегают к хитростям, искажающим реальные цифровые характеристики товаров. К примеру, стиральные машины с глубиной 48 см часто обозначаются как узкие. Потенциальным покупателям стоит обратить внимание на общие параметры устройств и их соответствие определённым категориям:
- модели с глубиной от 50 см до 60 см считаются полноразмерными;
- устройства категории «мини» имеют глубину в пределах от 40 см до 46 см;
- машины с глубиной от 32 см до 38 см относятся к узким.
Кроме того, на рынке представлены модели, которые предлагают компактные размеры и доступную цену. В то же время существуют и более дорогие варианты с аналогичными характеристиками. В последнем случае покупатель может переплатить за объём бака, а не за размеры устройства в целом. Важно учитывать этот момент, иначе стиральная машина может обойтись значительно дороже, при этом предоставляя лишь экономию пространства.
Функционал и диапазон возможностей
Функциональные возможности стиральной машины «Малютка» довольно ограничены, что полностью оправдывается её очень низкой стоимостью. Этот прибор был создан как бюджетное решение для стирки, предлагающее лишь основные функции. С помощью «Малютки» пользователи могут воспользоваться следующими опциями:
- стирка;
- замачивание белья;
- ручное полоскание.
Больше никаких дополнительных функций данная модель не предлагает. Также стоит отметить, что заливка и слив воды в бак осуществляются вручную. Учитывая такую низкую цену и компактные размеры, вряд ли можно найти на рынке стиральную машину с более широким функционалом.

Достоинства и недостатки агрегата
Простота конструкции и ограниченный функционал являются причинами низкой стоимости портативных устройств.
Тем не менее, помимо приемлемой цены, мини-устройства имеют несколько преимуществ по сравнению с более сложными моделями.
Сильные стороны компактной помощницы
Преимущества «малютки»:
- Мобильность. Средний вес устройства составляет около 8-10 кг, а его размеры позволяют легко перевозить стиральную машину в багажнике легкового автомобиля.
- Экономичность. За весь процесс стирки она потребляет минимальное количество электроэнергии. Некоторые современные модели соответствуют самым высоким классам энергопотребления: А, А+, А++.
- Скорость стирки. В отличие от полноразмерных стиральных машин, «малютка» выполняет свою работу всего за 10-15 минут. На полоскание отводится еще 5 минут.
- Надежность. В конструкции отсутствуют сложные механизмы, что снижает вероятность поломок. Даже если один из элементов выйдет из строя, его ремонт будет значительно дешевле, чем восстановление полноценной стиральной техники.
- Универсальность. Устройство подходит для всех типов тканей, предназначенных для машинной стирки. Однако для особо деликатных вещей рекомендуется использовать специальные мешки.
Мини-машинка автономна и не требует подключения к централизованному водопроводу и канализации. Это становится важным фактором при выборе «малютки» для дачного использования.
Такой агрегат идеально подходит для сезонного применения, а также для студентов и людей, живущих в арендованных квартирах.
Компактные размеры – явное преимущество в условиях ограниченного пространства. Малютку можно удобно хранить в кладовке, под раковиной или на балконе.
Если у вас есть централизованное водоснабжение, но в ванной комнате недостаточно места, вы можете установить мини-машинку автоматического типа под раковину. Мы рассмотрели ТОП лучших стиральных машин, подходящих для установки под раковину, в следующем материале.
Недостатки миниатюрной модели
Согласно отзывам пользователей, можно выделить несколько очевидных недостатков мини-стиралок:
- Ограниченная производительность. За один цикл такая машинка может выстирать всего 2-3 кг белья. С крупными и тяжелыми предметами, такими как комплект постельного белья, шторы, пледы или верхняя одежда, «малютка» не справится. Их придется стирать вручную.
- Высокий уровень шума. Некоторые пользователи отказываются от активаторных моделей из-за громкого звука. В отличие от полностью автоматических стиральных машин, мини-агрегаты не подходят для использования в вечернее или ночное время.
- Увеличенные требования к безопасности. Вода является отличным проводником электричества. Поэтому все действия с бельем следует выполнять только после отключения устройства от сети.
С точки зрения удобства и практичности «малютки» значительно уступают своим более крупным аналогам – барабанным автоматическим стиралкам. Мини-агрегаты не могут адаптировать режим стирки под конкретный тип ткани или степень загрязнения.
Даже модели с функцией отжима требуют дополнительного вмешательства – сначала нужно слить воду, а затем переложить вещи в центрифугу.
Если вам нужен более универсальный вариант стиральной машины с различными режимами стирки (в некоторых моделях также предусмотрены функции паровой обработки и сушки).
Критерии выбора
При выборе активаторной стиральной машины типа «Малютка» следует учитывать несколько важных аспектов.
- Если вы планируете приобрести устройство для семьи с маленьким ребенком, оптимальным вариантом будет модель с функцией отжима. Такие машины могут вместить до 3 кг белья, что вполне достаточно для стирки детских вещей. Кроме того, отжим помогает быстрее высушить одежду, что особенно актуально для молодых мам.
- Для одного человека, живущего в общежитии или съемной квартире, подойдут компактные модели с загрузкой 1-2 кг. Эти стиральные машины отличаются экономичностью и не занимают много пространства.
- Если вы покупаете машину для дачи, можно обойтись без функции отжима, так как белье можно сушить на улице. В этом случае стоит обратить внимание на модели с подогревом воды, что значительно упростит процесс стирки на дачном участке.
- Если «Малютка» будет использоваться как основная стиральная машина, рекомендуется выбрать модель с реверсом. Такие устройства бережно относятся к белью и обеспечивают более качественную стирку. Кроме того, важно, чтобы машина могла вместить достаточно вещей, включая крупные предметы (пледы, постельное белье), поэтому стоит выбирать агрегат с баком, рассчитанным на минимум 4 кг белья.
Как правильно пользоваться?
Эксплуатация активаторных машин типа «Малютка» отличается простотой и не вызывает сложностей. Главное — следовать инструкциям по использованию устройства и соблюдать меры безопасности.
- Если вы только что принесли машинку с балкона в холодное время года, не спешите её включать. Дайте двигателю прогреться до комнатной температуры, что обычно занимает 3-4 часа.
- Не ставьте агрегат вплотную к стене — лучше разместить его на расстоянии 5-10 см. Это поможет снизить уровень шума, вызванного вибрацией устройства.
- Если у вашей модели нет сливного шланга, установите её на деревянную решётку или табуретку в ванной. Для повышения устойчивости и уменьшения вибрации под днище машинки рекомендуется положить прорезиненный коврик. Убедитесь, что агрегат стоит ровно и опирается на всю поверхность дна.
- Чтобы избежать попадания брызг на двигатель, рекомендуется накрывать кожух полиэтиленом, не закрывая при этом вентиляционные отверстия.
- Сливной шланг необходимо закрепить на корпусе машинки, после чего можно начинать набор воды.
- Когда горячая вода достигнет нужного уровня, добавьте порошок, загрузите бельё, подключите машинку к сети и запустите таймер. Температура воды для хлопка и льна не должна превышать 80 градусов, для шёлка — 60 градусов, а для вискозы и шерсти — 40 градусов. Чтобы избежать окрашивания, стирайте белые вещи отдельно от цветных.
- Между стирками машинка должна отдыхать не менее 3 минут.
- После завершения стирки отключите агрегат от сети, опустите шланг вниз, слейте воду и промойте бак. Затем налейте чистую воду с температурой до 40 градусов, загрузите бельё, подключите машинку к сети и запустите таймер на 2-3 минуты. Если конструкция машинки позволяет, отожмите бельё в центрифуге, а затем повесьте его сушиться. После этого отключите машинку от питания, промойте её и вытрите насухо чистой тканью.
Как устранить проблемы с активатором
Активатор – это подвижный элемент, который отвечает за процесс стирки белья. Если его движение нарушено, работа устройства прекращается.
Пользователи чаще всего сталкиваются с такими проблемами:
- На валу и активаторе скапливаются кусочки ткани, нитки и другой мусор. В результате деталь не может нормально вращаться, стиральная машина издает громкие звуки и отключается. Решение заключается в очистке этих элементов.
- Бак перегружен. В этом случае активатор не сможет вращаться должным образом, и машина будет сильно шуметь, а затем отключится. Необходимо уменьшить нагрузку на стиралку, подождать не менее 15 минут и перезапустить устройство.
- Активатор может быть перекошен, что приводит к тому, что вещи после стирки оказываются сильно помятыми или даже порваными. Либо он может задевать стенки бака. Для устранения этой проблемы нужно перевернуть стиральную машину, извлечь заглушку, открутить активатор, очистить резьбу и снова установить деталь, закручивая ее до упора.
О правилах безопасности во время эксплуатации «Малютки»
Существует несколько основных правил по использованию стиральной машины «малыш»:
- Не оставляйте работающий прибор без присмотра.
- Запрещено касаться включенной вилки мокрыми руками.
- Нельзя использовать электрический кипятильник для нагрева воды в машине.
- Устанавливать устройство на землю или металлические поверхности строго запрещено.
- Не используйте прибор с электрическими неисправностями и не переносите его, если он наполнен водой или подключен к электросети.
Популярные модели
В настоящее время лишь несколько компаний продолжают производить автомобили типа «Малютка», что связано с ограниченным спросом на эту категорию продукции. Тем не менее, некоторые производители не только сохраняют выпуск мини-агрегатов, но и добавляют к ним новые функции, такие как подогрев и отжим.
В этом разделе мы представим наиболее популярные модели, о которых чаще всего можно встретить отзывы в сети.
Самая легкая модель для ежедневной эксплуатации
В отличие от других моделей стиральных машин «Малютка», вес этой версии составляет всего 8 кг, что обеспечивает ей высокую мобильность и простоту в использовании. Ширина устройства составляет 39 см, а высота бака увеличена до 57 см, что позволяет эффективно стирать как небольшие, так и крупные вещи. По отзывам пользователей, даже после нескольких лет активной эксплуатации, работа машины не вызывала никаких проблем.
- Преимущества СМ-040
- легкость;
- доступная цена — в среднем, стоимость не превышает 2600 рублей;
- функция реверса;
- наличие таймера.
— Недостатки СМ-040
- таймер можно установить только на 6 минут стирки;
- максимальное время непрерывной работы составляет 12 минут;
- машина предназначена для стирки только 1 кг вещей.
Машина для длительной стирки
Увеличенные размеры и возможность длительной работы без перерыва делают эту модель популярной для стирки сильно загрязненных вещей. Она станет отличным выбором для семей с маленькими детьми или людьми, страдающими аллергиями, поскольку конструкция машины позволяет использовать вместо стирального порошка мыльный раствор. Устройство оборудовано широким активатором и механическим таймером, который запускается с помощью поворотного переключателя.
- Преимущества СМ-225
- Небольшой вес – всего 8,1 кг;
- Максимальный объем воды – 25 л;
- Большой активатор, который обеспечивает отличное качество стирки;
- Время стирки до 60 минут;
- Доступная цена, которая составляет около 3200 рублей.
— Недостатки СМ-225
- Максимальный объем загрузки белья – не более 1 кг;
- Бак выполнен из пластика.
Самая безопасная и экономичная машина
У этой модели активатор расположен не сбоку, как у большинства стиральных машин «Малютка», а в нижней части. Это позволяет проводить стирку с неполной загрузкой, что способствует экономии воды и моющих средств. Также данная машина оборудована мощным и при этом энергоэффективным двигателем, что позволяет снизить расходы на электроэнергию даже при ежедневном использовании.
+Преимущества СМ-465
- Вместительный бак, который вмещает до 2 кг белья за один раз;
- Расход воды на одну стирку не превышает 25 литров;
- Специальная форма активатора предотвращает износ вещей во время стирки;
- Мощный двигатель обеспечивает высокую скорость вращения активатора, что позволяет эффективно отстирывать даже сильно загрязненные белые вещи детей;
- Цена – всего 2300 рублей;
- Наличие таймера и функции автоматического отключения по окончании заданного времени стирки;
- Реверс.
— Недостатки СМ-465
- Вес устройства составляет 10 кг;
- Максимальное время стирки ограничено 6 минутами.
Самая компактная модель
Эта надежная и компактная стиральная машина обладает длительным сроком службы и уникальной квадратной формой корпуса. С высотой всего 39 см и шириной 42,8 см, данная модель идеально подойдет даже для самых маленьких квартир, так как занимает минимум места для хранения. Кроме того, она легко помещается в багажник автомобиля, что делает ее удобной для транспортировки на дачу.
- Преимущества СМ-425
- Активатор находится в специальной защитной нише, что предотвращает попадание мелких предметов, таких как пуговицы, между ним и корпусом.
- Функция реверса позволяет активатору периодически менять направление движения, что помогает избежать скручивания белья и улучшает качество стирки.
- Возможность регулировки времени стирки.
- Максимальный объем воды составляет 24 литра.
- Доступная цена, начиная от 2800 рублей.
— Недостатки СМ-425
- Машина предназначена для стирки не более 1 кг белья за один раз.
- Механическое управление.
- Отсутствие защиты от протечек.
- Вес составляет 9 кг.
- Время стирки ограничено всего 6 минутами.
Хорошая альтернатива ручной стирке
Эта стиральная машина является одной из самых популярных в серии «Малютки». Благодаря мощному боковому мотору и увеличенной высоте корпуса, данная модель прекрасно справляется не только с стиркой постельного белья, но и с объемными теплыми вещами. Она станет отличной заменой ручной стирке, так как не предъявляет высоких требований к качеству воды и отличается экономичностью в потреблении электроэнергии.
- Преимущества СМ-021
- Средняя рыночная цена СМ-021 составляет всего 2300 рублей;
- Объем стирального бака достигает 27 литров, что немного больше, чем у аналогичных моделей;
- Компактные размеры: высота 57 см, ширина и глубина всего 43 см.
— Недостатки СМ-021
- Вес – почти 9 кг, в то время как большинство мини-стиральных машин весят не более 8 кг, даже при больших габаритах;
- Максимальная загрузка белья составляет не более 1 кг;
- Максимальное время непрерывной работы не должно превышать 10 минут.
Ремонт стиральной машины «Малютка-2»
В компактных стиральных машинах типа СМ процесс стирки осуществляется благодаря активной циркуляции мыльного раствора, который проникает в волокна ткани без механического воздействия. Эта циркуляция создается вихревым движением, инициируемым активатором. Стиральные машины типа СМ подразделяются на модели с вертикальным расположением активатора, такие как «Малютка», «Десна», «Самара», а также на устройства с горизонтальным и донным расположением активатора, например, «Фея» и «Мини-Вятка». Эти машины не оснащены отжимным механизмом и предназначены для стирки белья весом от 0,75 до 1,5 кг. При эксплуатации устройство устанавливается на стул или табурет. Зная конструкцию стиральной машины данного типа, можно самостоятельно выполнить ремонт, что избавит от необходимости вызывать специалиста и тратить деньги.
«Малютка-2»
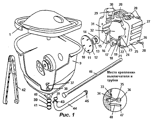
Изучим конструкцию одной из самых популярных стиральных машин типа СМ «Малютка-2». Эта модель включает в себя бак, крышку с уплотнением и две половинки кожуха, которые соединены резиновыми прокладками (см. рис. 1).
Рис. 1 Конструкция стиральной машины СМ
| 1 — уплотнение | 14 — резиновая втулка | 27 — резиновая пробка | 40 — пластиковая гайка |
| 2 — активатор | 15 — шайба | 28 — втулка | 41 — пластиковая пробка |
| 3 — прокладка | 16 — хомут | 29 — винт | 42 — щипцы |
| 4 — пружина | 17 — тепловое реле | 30 — прокладка | 43 — насадка |
| 5 — манжета | 18 — винт | 31 — половинка кожуха | 44 — сливная трубка |
| 6 — корпус активатора | 19 — гайка | 32 — электродвигатель | 45 — наконечник |
| 7 — амортизирующая втулка | 20 — прокладка | 33 — выключатель | 46 — шланг-трубка |
| 8 — крышка бака | 21 — хомут | 34 — шайба | 47 — соединительный шнур |
| 9 — бак | 22 — конденсатор | 35 — гайка | 48 — трубка |
| 10 — резиновое кольцо | 23 — площадка | 36 — резиновая гайка | |
| 11 — винт | 24 — хомут | 37 — втулка | |
| 12 — фланец | 25 — половина кожуха | 38 — прокладка | |
| 13 — пластиковая гайка | 26 — винт | 39 — резиновое кольцо |
Половинки кожуха соединены между собой с помощью винтов и втулок. Чтобы защитить головки винтов от коррозии, они закрыты резиновыми пробками. Внутри кожуха размещены электродвигатель, реле, конденсатор и выключатель. Выключатель закреплен на кожухе с помощью гайки и шайбы, а также резиновой гайки.
Соединительный шнур проходит внутрь кожуха через резиновую защитную трубку. На кожухе имеется резьбовой фланец, к которому прикрепляется корпус активатора. В этом фланце установлена манжета, предотвращающая утечку воды. На валу двигателя закреплен активатор. В моделях, выпущенных до 1985 года, используется активатор с левой резьбой, а начиная с 1986 года — с правой. Фланец крепится к двигателю с помощью винтов. Втулка сливного отверстия может быть закрыта пластиковой пробкой или, при необходимости, на нее надевается сливная трубка с насадкой для соединения с баком. Перед установкой на втулку обязательно ставится уплотнительная прокладка.
| Рис. 2 Принципиальная электрическая схема стиральной машины «Малютка-2» 1. ЭД — электродвигатель; 2. РТ — тепловое реле; 3. В — выключатель; 4. ВШ — штепсельная вилка |
Что касается узла активатора, то его опора состоит из пластикового корпуса, стальной втулки, резиновой манжеты, стальной пружины и резиновой прокладки (см. рис. 3).
| Рис. 3 Устройство узла активатора стиральной машины «Малютка-2» 1. — активатор; 2. — фланец; 3. — винт; 4. — уплотнительное кольцо; 5. — вал активатора; 6. — фланец; 7. — втулка; 8. — корпус активатора; 9. — манжета |
Стиральная машина комплектуется шлангом-трубкой и щипцами. В процессе эксплуатации важно защищать пластиковые детали от повреждений. Не допускайте контакта этих поверхностей с активными растворителями (такими как ацетон, дихлорэтан и другие), а также с горячими предметами, температура которых превышает 80°C.
Разборка машины
- Извлеките пробку из отверстия, расположенного на задней части корпуса электродвигателя. Поверните активатор так, чтобы продолговатое отверстие пластикового ротора совпало с отверстием в корпусе.
- Через это отверстие в корпусе и роторе вставьте отвертку до упора в ротор электродвигателя, чтобы зафиксировать его.
- Выкрутите активатор. В отверстие корпуса активатора поместите специальный ключ (описание ключа представлено ниже) и открутите корпус активатора.
- Отсоедините бак.
- Открутите шесть винтов и снимите фланец с деталями.
- Открутите контргайку и резиновую гайку, которые фиксируют выключатель, и снимите шайбу.
- Открутите винты, соединяющие половинки корпуса, и снимите их. Под корпусом, кроме электродвигателя, находятся и другие элементы оборудования. Все они обозначены на электрической схеме.
Сборка машины
Сборка автомобиля осуществляется в обратном порядке, однако необходимо учитывать ряд важных нюансов. При установке электрооборудования в кузове автомобиля следует внимательно следить за расположением монтажных проводов. Не допускается наличие короткого замыкания между токопроводящими элементами, а также провода не должны быть натянуты или зажаты.
- Тщательно заправьте резиновые уплотнители по всему периметру соединения с кузовом.
- Установите манжету в соответствующее гнездо фланца. Неправильная или перекошенная установка манжеты может привести к утечке жидкости из бака автомобиля.
- Установите фланец и закрепите его равномерным подтягиванием винтов. Дренажное отверстие фланца должно находиться в нижней части. Корпус активатора необходимо надежно закрутить на фланце, чтобы уплотнительное кольцо плотно прижималось к стенке бака.
- На выключатель установите шайбу, гайку и контргайку.
Специальный инструмент для снятия и установки корпуса активатора можно изготовить из куска водопроводной трубы. Длина трубы должна превышать диаметр корпуса активатора на 100…150 мм. В корпусе трубы следует просверлить два симметричных отверстия диаметром 6 мм, расположенных на расстоянии 95 мм друг от друга. Вставьте в эти отверстия винты такой длины, чтобы они выступали из трубы на 10…15 мм. Закрепите винты гайками — и ваш инструмент готов. Качество проведенного ремонта должно соответствовать установленным стандартам.
Заключение
В заключение, можно с уверенностью утверждать, что мини-стиральные машины активаторного типа имеют как свои преимущества, так и недостатки. Эти устройства привлекают пользователей своими компактными размерами, простотой в использовании и доступной ценой (например, модель Малютка-М СМ-425 стоит около 3000 рублей). Однако, наряду с положительными сторонами, существуют и некоторые минусы, вытекающие из их особенностей. Простая конструкция не всегда обеспечивает качественную стирку, а также ограничивает объем белья, который можно обработать за один раз.
Сравнение с другими типами стиральных машин
Стиральные машины типа «Малютка» представляют собой компактные устройства, которые идеально подходят для небольших квартир, дач или для использования в условиях ограниченного пространства. В отличие от стандартных стиральных машин, которые могут занимать значительное место, «Малютки» предлагают удобство и функциональность в компактном формате. Однако, чтобы понять, насколько они эффективны, важно сравнить их с другими типами стиральных машин.
Во-первых, стоит отметить, что стиральные машины «Малютка» обычно имеют меньшую загрузку, чем их полноразмерные аналоги. В то время как стандартные машины могут вмещать от 5 до 10 кг белья, «Малютки» чаще всего рассчитаны на 3-4 кг. Это делает их менее подходящими для больших семей или для стирки объемных вещей, таких как одеяла или подушки. Однако для одиночных пользователей или пар, которые не нуждаются в частой стирке большого количества одежды, такая загрузка может быть более чем достаточной.
Во-вторых, компактные стиральные машины часто имеют меньшие размеры и вес, что делает их более мобильными. Они могут быть легко перемещены в зависимости от необходимости, что является значительным преимуществом для тех, кто арендует жилье или часто меняет место жительства. В отличие от полноразмерных моделей, которые требуют постоянного подключения к водопроводу и канализации, некоторые «Малютки» могут работать в режиме «сухой стирки», что позволяет использовать их в условиях, где нет доступа к воде.
Сравнивая «Малютки» с полуавтоматическими и автоматическими стиральными машинами, можно отметить, что последние предлагают более широкий спектр функций и программ стирки. Автоматические машины могут иметь множество режимов, включая деликатную стирку, стирку в холодной воде и специальные программы для различных типов тканей. В то время как «Малютки» могут иметь ограниченное количество программ, они все же способны справляться с основными задачами стирки, что делает их удобными для повседневного использования.
Кроме того, стоит упомянуть о потреблении электроэнергии и воды. Стиральные машины типа «Малютка» часто имеют более низкое потребление ресурсов по сравнению с большими моделями, что может быть важным фактором для пользователей, стремящихся сократить свои коммунальные расходы. Однако, несмотря на это, эффективность стирки может быть ниже, чем у более крупных машин, особенно при использовании интенсивных режимов стирки.
В заключение, выбор между стиральной машиной типа «Малютка» и другими типами стиральных машин зависит от индивидуальных потребностей пользователя. Для тех, кто живет в ограниченном пространстве и не нуждается в стирке больших объемов белья, «Малютка» может стать отличным решением. Однако для семей или пользователей, которым требуется более высокая производительность и множество функций, стоит рассмотреть более крупные модели. Важно учитывать все аспекты, включая размер, функциональность, потребление ресурсов и личные предпочтения, чтобы сделать правильный выбор.
Вопрос-ответ
Каковы основные преимущества маленьких стиральных машин типа Малютка?
Маленькие стиральные машины типа Малютка обладают рядом преимуществ, включая компактные размеры, что делает их идеальными для небольших квартир или дач. Они также экономят воду и электроэнергию, а их простота в использовании позволяет быстро справляться с повседневными задачами стирки.
На что обратить внимание при выборе стиральной машины Малютка?
При выборе стиральной машины типа Малютка стоит обратить внимание на её загрузочную способность, наличие различных программ стирки, уровень шума в работе и энергопотребление. Также важно учитывать размеры устройства, чтобы оно вписалось в ваше пространство.
Какой принцип работы у стиральных машин Малютка?
Стиральные машины типа Малютка работают по принципу стандартных стиральных машин, но в уменьшенном формате. Они используют вращение барабана для стирки белья, а также могут иметь различные режимы для стирки деликатных тканей. Вода и моющее средство подаются в барабан, где происходит процесс стирки, а затем отжимания.
Советы
СОВЕТ №1
Перед покупкой маленькой стиральной машины типа «Малютка» обязательно ознакомьтесь с её характеристиками, такими как загрузка, количество программ стирки и уровень шума. Это поможет выбрать модель, которая лучше всего соответствует вашим потребностям и условиям использования.
СОВЕТ №2
Обратите внимание на энергопотребление и класс стирки. Выбирайте модели с высоким классом энергоэффективности, чтобы сократить расходы на электроэнергию и обеспечить качественную стирку.
СОВЕТ №3
Проверьте наличие дополнительных функций, таких как отложенный старт, защита от перелива и возможность стирки деликатных тканей. Эти опции могут значительно упростить процесс стирки и повысить удобство использования.
СОВЕТ №4
Не забудьте ознакомиться с отзывами пользователей и рейтингами моделей. Это поможет вам получить представление о реальном опыте эксплуатации и надежности выбранной стиральной машины.








