В статье рассмотрим подключение устройств защитного отключения (УЗО) и автоматических выключателей — ключевой этап для безопасности электрических систем. Узнаете о схемах подключения, получите советы от мастеров и пошаговую инструкцию, чтобы избежать распространенных ошибок. Правильное подключение УЗО и автоматов защитит оборудование от перегрузок и коротких замыканий, а также обеспечит безопасность людей в помещении.
Что такое утечка тока и чем она грозит
Известно, что электрическое оборудование функционирует благодаря току, который перемещается по проводам. В однофазной сети присутствуют два провода: фаза и ноль. В трехфазной системе количество проводов увеличивается до четырех: три фазы и один ноль. В любом случае ток движется по фазе, а возвращается обратно через ноль.
Важно! В домашних электросетях используется переменный ток, который колеблется с частотой около 50 Гигагерц.
Иными словами, количество электричества, поступающего в ваше жилье, равно количеству, которое уходит. Этот процесс может продолжаться длительное время, пока, например, соседи сверху не затопят вас. В результате могут пострадать не только перекрытия, но и проводка, и энергия с проводов начнет «стекать» вниз. Проблема заключается в том, что ток, поступающий по фазе, начинает превышать ток, возвращающийся через ноль.
Такое нарушение может привести к следующим последствиям:
- Увеличение расхода электроэнергии.
- Риск возгорания.
- Удар электротоком.
Наиболее распространенной проблемой является увеличение расхода электроэнергии. В итоге жильцы вынуждены платить за ток, который фактически не используется. Однако это не самая серьезная угроза, поскольку место утечки постепенно перегревается. В результате может произойти возгорание, которое случится в самый неожиданный момент. Порой это приводит к трагическим последствиям для жильцов.
Также стоит рассмотреть другой сценарий. Например, если водонагреватель или стиральная машина выйдут из строя, то под напряжением может оказаться весь корпус устройства. Если у прибора отсутствует заземление (что часто встречается в старых квартирах), то при прикосновении к нему ток может пройти через тело человека.
Правильное подключение УЗО и автоматов – важный этап в организации электрической сети. Эксперты рекомендуют начинать с изучения схемы подключения, которая должна соответствовать требованиям безопасности и типу используемого оборудования. Важно учитывать, что УЗО устанавливается на вводе в дом, а автоматы – на каждую группу потребителей.
Мастера советуют использовать качественные компоненты и проверенные марки, чтобы избежать перегрузок и коротких замыканий. Перед началом работы необходимо отключить электричество и проверить наличие напряжения. Пошаговая инструкция включает в себя: выбор места установки, монтаж УЗО и автоматов, подключение проводов согласно схеме, а также проверку работоспособности системы.
Не стоит забывать о регулярной проверке УЗО, что поможет обеспечить безопасность и долговечность работы электрической сети.
https://youtube.com/watch?v=Yr8S-0dpNgg
Что такое УЗО
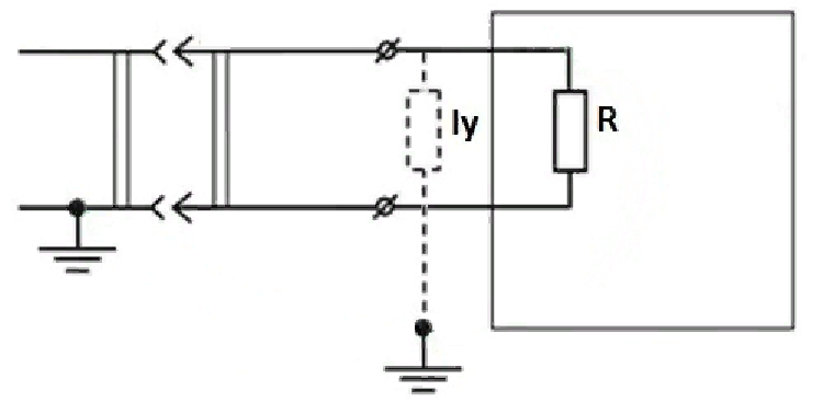
УЗО – это устройство защитного отключения, которое позволяет контролировать утекающий ток. По внешнему виду оно напоминает известный щитовой автомат, но имеет совсем другое функциональное назначение. Получается, что УЗО все время контролирует количество тока, который заходит и выходит по цепи. Если вдруг это количество перестает быть равным, то устройство полностью обесточивает квартиру, что позволит избежать негативных последствий, которые бывают при утечке.
Обратите внимание на нижний выключатель и верхнюю кнопку. Так, первый позволит вам самостоятельно отключить устройство при необходимости проведения ремонтных работ. Верхняя кнопка необходима для того, чтобы пользователь проверял работоспособность прибора путем создания искусственной утечки.
Таблица 1. По каким критериям отличаются УЗО.
| Критерий | Описание |
|---|---|
| Скорость работы | Механизмы подобного типа могут быть стандартными и селективными. Первые позволяют отключать ток при утечке за считанные секунды. Другие делают это постепенно, но они необходимы для некоторых сетей, где не допускается резкое отключение электроэнергии. |
| По типу реле | Существуют электромеханические устройства, которые прекращают движение тока путем разрыва цепочки, а другие делают это за счет электросхемы (редко устанавливаются в бытовых сетях). |
| По конструкции | УЗО могут устанавливаться в щиток на специальную рейку, а также на стену. Кроме того, бывают портативные модели, которые включают в розетку. |
| По напряжению | Рассчитанные для работы в сети 220 или 380 В |
| По количеству полюсов | Бывают модели с двумя или четырьмя полюсами |
Тем не менее, вышеперечисленных характеристик недостаточно для того, чтобы выбрать оптимальную модель УЗО. Ведь здесь учитывается и длина всей электрической проводки, количество бытовых приборов и другие нюансы.
При выборе устройства учитывают следующее:
- Номинальный ток. Это количество тока, которое выдерживает устройство в течение некоторого времени без повреждения.
- Дифференциальный ток. Так называют восприимчивость защитной системы. Например, на изображении, приведенном выше видно, что УЗО отключится уже при утечке около 30 мА, которая еще не является опасной для жизни человека.
- Номинальное напряжение. Это общее напряжение в цепи, куда устанавливается защитный механизм. Оно не должно быть больше 230/400 В.
- Тип тока – переменный или постоянный. На изображении можно заметить, что прибор работает при наличии переменного тока.
В данном случае не учитывается еще один параметр – величина отсечки, потому что он здесь отсутствует. Получается, что УЗО выполняет только контроль над утечкой тока, но не над всем током. Если вы подключите различные устройства во все розетки, которые имеются в квартире, то из-за перегрузки отключится только автомат. При его отсутствии произойдет возгорание проводки и УЗО.
Соответственно, дифференциальный выключатель не может отвечать за контроль перегрузки на линии, но он предотвращает последствия утечки тока. Поэтому автоматы и УЗО подсоединяют в общем щитке.
| Элемент защиты | Назначение | Рекомендации по установке |
|---|---|---|
| Автоматический выключатель (АВ) | Защита от перегрузок и коротких замыканий. Отключает подачу тока при превышении допустимой нагрузки или при КЗ. | Устанавливается первым в цепи после счетчика. Номинал АВ выбирается исходя из мощности подключаемой нагрузки и сечения кабеля. Для розеточных групп обычно 16А, для освещения 10А. |
| Устройство защитного отключения (УЗО) | Защита человека от поражения электрическим током при прямом или косвенном прикосновении к токоведущим частям, а также защита от пожаров, вызванных утечками тока. | Устанавливается после АВ. Чувствительность УЗО для розеточных групп (ванная, кухня) — 10-30 мА. Для общего УЗО на всю квартиру — 30 мА. Не защищает от перегрузок и КЗ, поэтому всегда используется в паре с АВ. |
| Дифференциальный автомат (АВДТ) | Объединяет функции автоматического выключателя и УЗО. Защищает от перегрузок, коротких замыканий и утечек тока. | Устанавливается вместо пары АВ+УЗО. Удобен для экономии места в щитке. Выбирается по номиналу тока (как АВ) и чувствительности (как УЗО). |
| Схема подключения | Последовательное подключение элементов для обеспечения комплексной защиты. | Вводной АВ (общий на квартиру) -> УЗО (общее или групповое) -> Групповые АВ (для отдельных линий: розетки, освещение, стиральная машина и т.д.). Или Вводной АВДТ -> Групповые АВ. |
| Селективность | Обеспечение отключения только поврежденного участка цепи, а не всей системы. | Достигается правильным выбором номиналов АВ и УЗО. Вводной АВ должен быть на ступень выше, чем групповые. УЗО с большей чувствительностью (например, 30 мА) устанавливается выше по цепи, чем УЗО с меньшей чувствительностью (например, 10 мА). |
| Тестирование | Проверка работоспособности защитных устройств. | Регулярно (раз в месяц-квартал) нажимайте кнопку «Тест» на УЗО/АВДТ. Устройство должно отключиться. Если этого не происходит, УЗО/АВДТ неисправно и требует замены. |
Интересные факты
Вот несколько интересных фактов о подключении УЗО и автоматов:
-
Комбинированные устройства: Современные устройства защиты, такие как УЗО (устройство защитного отключения) и автоматические выключатели, могут быть объединены в одном корпусе. Это упрощает установку и экономит место в распределительном щите, а также обеспечивает более высокую степень защиты от коротких замыканий и утечек тока.
-
Правило «первый УЗО, затем автомат»: При подключении УЗО и автоматов важно помнить, что УЗО должно быть установлено перед автоматом в цепи. Это связано с тем, что УЗО защищает от утечек тока, а автомат — от перегрузок и коротких замыканий. Если УЗО сработает, автомат не сможет отключить цепь, если он будет установлен первым.
-
Проверка работоспособности: УЗО имеет кнопку тестирования, которая позволяет проверить его работоспособность. Рекомендуется проводить такую проверку не реже одного раза в месяц. Это поможет убедиться, что устройство функционирует правильно и может защитить от электрического удара в случае утечки тока.
Эти факты подчеркивают важность правильного подключения и регулярного обслуживания защитных устройств в электрических системах.
Видео – Как выбрать УЗО
https://youtube.com/watch?v=3oTv5fbst6g
Цены на УЗО
УЗО
Что называют дифавтоматами
Дифференциальные автоматы представляют собой особый вид устройств защитного отключения (УЗО). Они объединяют в себе функции двух приборов, так как способны контролировать как утечку тока, так и уровень напряжения.
На корпусе данного устройства можно увидеть специальную маркировку, указывающую не только номинальный ток, но и максимальное значение, которое оно может выдержать. Однако стоит отметить, что механизм сработает даже при меньшем номинальном токе.
Таким образом, это усовершенствованное устройство служит заменой как автомату, так и стандартному УЗО. Основное отличие заключается в том, что подобный механизм имеет более высокую стоимость.
Цены на дифавтоматы
Дифавтомат
Как правильно подключить автоматы и УЗО
Перед тем как приступить к установке автоматов, важно подготовить все необходимые инструменты:
- Монтажная рейка (в некоторых случаях она может быть включена в комплект с готовым щитом). В других ситуациях потребуется самостоятельно измерить нужную длину и отрезать ее с помощью ножниц по металлу.
- Отвертка.
- Кусачки.
- Инструмент для снятия изоляции с проводов.
Подключение автоматов и УЗО – пошаговая инструкция
Шаг 1. Для начала на металлической DIN-рейке следует закрепить две шины: нулевую и заземления. Сделать это просто, необходимо вставить их одним концом, а потом защелкнуть.
Шаг 2. Теперь необходимо последовательно закрепить автоматы. В нижней части у них имеется специальная защелка, которую достаточно потянуть вниз, а затем закрепить автомат на рейке.
Шаг 3. Далее необходимо взять трехжильный кабель. Как правило, провод заземления имеет желтый цвет, ноль – голубой цвет, а фаза белый или розовый цвет (как в нашем случае).
Шаг 4. Сперва нам следует подключить нулевой провод к нулевой шине. Делается это несложно – необходимо отверткой открутить болтик.
Шаг 5. Теперь необходимо подсоединить к шине заземления желтый провод заземления.
Шаг 6. Следующим этапом нам понадобится закрепить питающий провод (розовый). Вопреки многочисленным мнениям, он всегда должен идти сверху. Следует подключить провод, но закручивать его сразу не стоит – причина в том, что придется тогда подавать питающий провод и на все остальные автоматы.
Шаг 7. Седьмой: необходимо вставить питающий провод в верхний автомат, а затем в то же отверстие вставить один конец дополнительной перемычки.
Шаг 8. Теперь необходимо обратить внимание на последний дифференциальный автомат. На его корпусе, как правило, располагается схема подключения.
Шаг 9. Теперь стало понятно, что фаза находится на втором входе, значит, туда следует закрепить другой конец желтого проводка-перемычки. Закручиваем винт по аналогии с предыдущими вариантами.
Шаг 10. Теперь необходимо подключить провода, которые идут от помещения. Сначала с их концов понадобится снять слой изоляции. Для зачистки концов на проводах используют специальный инструмент.
Шаг 11. Здесь тоже следует подключить нулевой провод к соответствующей шине.
Шаг 12. Теперь необходимо снова зафиксировать провод заземления.
Шаг 13. Теперь снизу мы фиксируем провод питания, который идет от электрического прибора.
Шаг 14. Теперь необходимо взять дополнительный проводок, подключить его к нулевой шине, а потом к первому входу на дифференциальном автомате.
Обратите внимание! От нижнего отверстия в дифавтомате будут идти проводки к электроприборам.
Цены на вольтметры
Вольтметр
Видео – Как подключить УЗО
https://youtube.com/watch?v=Yr8S-0dpNgg
Распространенные ошибки мастеров
Иногда даже опытные электрики могут допустить ошибки при установке автоматов и УЗО. Чтобы избежать негативных последствий, стоит рассмотреть эти моменты подробнее.
Таблица 2.Ошибки при монтаже.
| Ошибка, иллюстрация | Описание |
|---|---|
| Это одна из распространенных ошибок, которую совершают специалисты в спешке, так как это упрощает подключение проводов. Однако такой подход не обеспечивает надежного зажима концов, и уже через короткое время контакты могут ослабнуть. В результате они начинают перегреваться, поэтому на концы проводов рекомендуется устанавливать наконечники или тщательно их сжимать. | |
| Как было упомянуто в предыдущем руководстве, сначала необходимо очистить провод от изоляции на нужную длину, а затем помещать его в зажим и затягивать винтом. Тем не менее, некоторые пользователи сталкиваются с неожиданным выгоранием автомата или его нестабильной работой даже при использовании новых устройств. Часто причиной таких проблем становится попадание изоляции под контакт автомата, что приводит к нагреву защитного слоя проводки после подключения. Со временем это может вызвать возгорание, что приведет к пожару в распределительном щитке. | |
| Автоматические выключатели не следует соединять проводами-перемычками с различной толщиной, так как это может привести к тому, что при затягивании винта надежно зафиксируется только более толстая жила, а тонкая останется слабо зажатой. Из-за такой небрежности у электриков часто происходят возгорания, затрагивающие изоляцию и автоматы в щитке. На изображении представлен наглядный пример соединения автоматов проводами с сечением 4 квадратных миллиметра и 2,5 квадратных миллиметра. Это привело к перегреву, оплавлению проводов и корпуса автомата. Даже если использовать провода с минимальной разницей в толщине ( 1,5 и 2,5 квадратных миллиметра), не стоит ожидать других результатов, так как их все равно не удастся надежно соединить в зажиме. | |
| Некоторые мастера, не обладая достаточными навыками, предпочитают использовать небезопасный метод оконцевания проводов – пайку. Это делается для экономии на покупке специальных инструментов. Кроме того, электрики часто прибегают к этому способу при срочном монтаже. Однако такой метод запрещен. Контакт в этом случае хуже фиксируется зажимом и со временем ослабевает, что требует постоянного подтягивания. На практике подобные действия быстро забываются, что может привести к возгоранию. |
Обратите внимание! Безопасность электропроводки всегда должна быть на первом месте, поэтому даже в качестве временных решений не следует использовать такие методы подключения автоматов в щитке.
Цены на электрощитки
Электрощиток
Как правильно подключать проводки к автоматам
Существует множество устройств, которые могут значительно упростить процесс подключения контактов к автоматике. Чтобы выбрать наиболее подходящий вариант, мы подробно рассмотрим их особенности.
Наконечники на гибкий провод
С целью подключения элементов электрического щита часто используют гибкие провода с множеством проволок, ведь с подсоединением таких контактов справиться даже новичок. Но при этом и здесь существует нюанс.
Как мы уже рассмотрели выше, многие мастера фиксируют жилу зажимом без оконцевания, из-за чего хрупкие проволоки начинают отламываться и контакт слабеет.
Иногда в один зажим возникает необходимость фиксировать сразу два контакта, поэтому с такой целью были изобретены двойные наконечники. Они лучшим образом подходят тогда, когда приходится устанавливать множество перемычек.
Дугообразный загиб
Для подключения проводов к зажимам обычно необходимо удалить 10 миллиметров изоляции – этого вполне достаточно, чтобы образовать на конце провода дугу, которую затем помещают в клемму. Как показывает опыт, многие электрики прибегают к этому методу, если нет под рукой наконечников.
Такой подход позволяет обеспечить надежный контакт, который не будет ослабевать со временем. Этот метод особенно эффективен, когда на конце провода имеется монолитная жила.
Неразрывные перемычки
Когда приходится подсоединить несколько автоматов одним проводом, возникает необходимость использовать гребенку (шину). Тем не менее, она не всегда оказывается под рукой, поэтому сформировать самодельную гребенку можно из провода любого сечения.
Следует согнуть провод таким образом, чтобы получилась гребенка. Затем на месте сгиба необходимо зачистить провода.
Подводим итоги
Если вам понадобится частичная замена электропроводки, обязательно ознакомьтесь с нашей статьей о кабель-каналах для электропроводки.
Подключение УЗО и автоматических выключателей в распределительном щитке не представляет особой сложности, однако сначала необходимо выбрать подходящее устройство для вашей электрической сети. После этого следует действовать в соответствии с инструкцией. Если у вас есть сомнения в своих навыках, лучше обратиться к профессиональному электрику, так как к электричеству следует относиться с должным вниманием.
Дополнительные меры безопасности при работе с электрооборудованием
Работа с электрооборудованием требует особого внимания и соблюдения мер безопасности, чтобы избежать несчастных случаев и повреждения оборудования. Ниже приведены основные рекомендации, которые помогут обеспечить безопасность при подключении УЗО и автоматов.
1. Используйте защитные средства
Перед началом работы обязательно наденьте защитные перчатки и обувь с изолирующей подошвой. Это поможет предотвратить электрический удар в случае случайного контакта с проводами под напряжением.
2. Отключите электроэнергию
Перед началом любых работ с электрооборудованием необходимо отключить электричество в щитке. Убедитесь, что вы точно знаете, какой автомат отвечает за отключение нужной линии, и проверьте отсутствие напряжения с помощью индикаторной отвертки или мультиметра.
3. Проверьте состояние проводки
Перед подключением УЗО и автоматов осмотрите проводку на наличие повреждений, изоляции и коррозии. Если вы заметили какие-либо дефекты, их необходимо устранить до начала работ.
4. Используйте качественные материалы
При покупке УЗО и автоматов выбирайте только сертифицированные и качественные изделия от известных производителей. Это обеспечит надежность и безопасность работы оборудования.
5. Соблюдайте правила подключения
При подключении УЗО и автоматов строго следуйте схемам, указанным в инструкции. Неправильное подключение может привести к короткому замыканию или выходу оборудования из строя.
6. Убедитесь в правильности подключения
После завершения подключения проверьте все соединения на надежность и отсутствие перекрестных контактов. Убедитесь, что все провода правильно зафиксированы и не имеют свободных концов.
7. Тестируйте оборудование
После завершения установки включите электроэнергию и протестируйте работу УЗО и автоматов. Убедитесь, что они срабатывают при возникновении короткого замыкания или утечки тока.
8. Обучение и информирование
Если вы не уверены в своих силах или не обладаете достаточными знаниями, лучше обратиться к квалифицированному электрику. Также важно информировать всех членов семьи о правилах безопасности при использовании электрооборудования.
Соблюдение этих мер безопасности поможет избежать неприятных ситуаций и обеспечит надежную и безопасную работу вашего электрооборудования.
Вопрос-ответ
В каком порядке ставить УЗО и автомат?
Когда сначала монтируются автоматы, а ближе к нагрузке УЗО, противоположное подключение: первым идет УЗО, затем один или несколько автоматов.
Можно ли ставить УЗО на группу автоматов?
По пункту 7.1.76 ПУЭ запрещается использовать УЗО на групповых линиях без защиты от сверхтока, если нет дополнительного устройства для этой защиты. Пункт 7.1.81 ПУЭ запрещает ставить УЗО на устройства, отключение которых может создать угрозу безопасности, например, для пожарной сигнализации.
Где на УЗО фаза и ноль?
С правой стороны – ноль, а с левой – фаза. Необходимо не забыть о подключении заземления, а также отходящих проводов. Две клеммы внизу связаны с подвижными контактами.
Советы
СОВЕТ №1
Перед началом работы обязательно отключите электричество в щитке. Это поможет избежать поражения электрическим током и обеспечит вашу безопасность во время установки УЗО и автоматов.
СОВЕТ №2
Тщательно изучите схемы подключения, которые соответствуют вашему типу УЗО и автоматов. Убедитесь, что вы понимаете, как правильно соединять провода, чтобы избежать короткого замыкания и других проблем с электричеством.
СОВЕТ №3
Используйте качественные материалы и инструменты для подключения. Это включает в себя провода, клеммы и изоляцию. Некачественные компоненты могут привести к перегреву, искрению и даже пожару.
СОВЕТ №4
После завершения подключения обязательно проверьте работоспособность системы. Включите электричество и протестируйте УЗО, нажав кнопку тестирования. Убедитесь, что устройство срабатывает, и система функционирует корректно.







